Uma vez sabendo orientar-se e navegar em áreas de cobertura vegetal, necessita ainda o grupo de busca ter conhecimento dos diversos méto...

Uma vez sabendo orientar-se e navegar em áreas de cobertura vegetal, necessita ainda o grupo de busca ter conhecimento dos diversos métodos para se localizar as vítimas. Os métodos de busca visam principalmente a minimização dos recursos, economia de tempo e energia por meio de uma maneira mais racional de procura.
Método Pente Fino
O método mais prático e usual para se fazer uma busca de pessoa desaparecida em uma área de cobertura vegetal de risco é sem sombra de dúvidas o “pente fino” que consiste em dividir uma área que será o ponto de partida, podendo ser uma estrada ou um rio, em azimutes paralelos que serão percorridos por um grupo de busca até uma distância ou ponto pré-determinado. Geralmente é usado quando se tem uma estrada ou rio como referência ou quando se têm vários grupos de busca na operação.Os azimutes paralelos devem ser equidistantes e perpendiculares ao ponto referencial, devendo-se definir a distância a ser percorrida ou objetivo a ser alcançado.
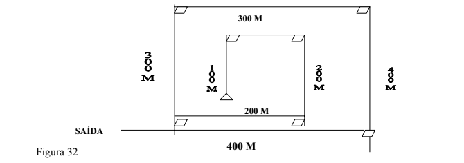
Método Retangular
Já o método retangular pode ser usado quando se tem uma estrada ou um rio como referência e há apenas um grupo de busca na operação.O método consiste em navegar formando retângulos perpendiculares a um referencial, atentando para:
- Sair da referencial seguindo um azimute perpendicular;
- Caminhar por 100m ou a distância em que a visibilidade permitir;
- Virar sempre em 90o e caminhar metade da distância percorrida anteriormente seguindo o azimute definido após essa conversão;
- Virar novamente em 90o e retornar ao referencial seguindo o contra-azimute do ponto de saída;
- Caminhar na beira do referencial após ter virado a 90o seguindo o azimute do referencial percorrendo metade da distância anterior, passando a repetir o processo.
- Sair da referencial seguindo um azimute perpendicular;
- Caminhar por 100m ou a distância em que a visibilidade permitir;
- Virar sempre em 90o e caminhar metade da distância percorrida anteriormente seguindo o azimute definido após essa conversão;
- Virar novamente em 90o e retornar ao referencial seguindo o contra-azimute do ponto de saída;
- Caminhar na beira do referencial após ter virado a 90o seguindo o azimute do referencial percorrendo metade da distância anterior, passando a repetir o processo.
Método do Quadrado Crescente
Este método pode ser usado quando:- Há apenas a informação de que a vítima perdeu-se num determinado ponto onde não se tenha um referencial;
- O terreno não é muito acidentado;
- Há apenas uma guarnição na operação.
O método consiste em formar quadrados cada vez maiores crescendo de 100 em 100 metros ou conforme a situação do terreno e tipo de vegetação permitir:
- Deve-se sair do ponto onde a vítima foi vista pela última vez ou se tem a presunção de que ela esteve naquele local.
- Segue-se um azimute qualquer e caminha-se 100m.
- Depois vira-se para a direita ou esquerda a 90o graus e caminha-se mais 100m.
- Se optou por virar à direita depois do 100m vira-se à direita novamente e caminha-se 200m.
- Vira-se à direita e caminha-se 200m.
- Na próxima virada caminha-se 300m ou seja 100m a mais e assim sucessivamente.
- Se a vítima estiver naquela região será encontrada.
- Deve-se sair do ponto onde a vítima foi vista pela última vez ou se tem a presunção de que ela esteve naquele local.
- Segue-se um azimute qualquer e caminha-se 100m.
- Depois vira-se para a direita ou esquerda a 90o graus e caminha-se mais 100m.
- Se optou por virar à direita depois do 100m vira-se à direita novamente e caminha-se 200m.
- Vira-se à direita e caminha-se 200m.
- Na próxima virada caminha-se 300m ou seja 100m a mais e assim sucessivamente.
- Se a vítima estiver naquela região será encontrada.
Método Leque
Este método é usado quando:
- Têm-se várias guarnições;
- Pretende-se fazer uma varredura rápida em qualquer terreno ou cobertura vegetal.
- Têm-se várias guarnições;
- Pretende-se fazer uma varredura rápida em qualquer terreno ou cobertura vegetal.
O método consiste em soltar as guarnições em várias direções partindo de um mesmo ponto:
- Traça-se uma linha imaginária usando-se um azimute e contra-azimute ou ainda aproveitando uma estrada ou um rio, determina-se um ponto de partida para as guarnições;
- As guarnições saem e voltam num contra-azimute;
- As guarnições percorrem a mesma distância;
- Devem ser efetuadas buscas em todos os quadrantes definidos a partir do ponto de referência ( linha imaginária, estrada ou rio).
- Traça-se uma linha imaginária usando-se um azimute e contra-azimute ou ainda aproveitando uma estrada ou um rio, determina-se um ponto de partida para as guarnições;
- As guarnições saem e voltam num contra-azimute;
- As guarnições percorrem a mesma distância;
- Devem ser efetuadas buscas em todos os quadrantes definidos a partir do ponto de referência ( linha imaginária, estrada ou rio).
Método Off-set
Este método pode ser usado quando:- Há dois grupos de busca;
- A área de busca é restrita.
- Ambas as guarnições saem de um ponto de partida, após se traçar uma linha imaginária (azimute e contra-azimute) podendo aproveitar como referencial um rio ou uma estrada, seguindo a partir dali azimutes separados por um ângulo de 90o graus e caminham determinada distância onde as vítimas estejam perdidas;
- Em seguida cada guarnição, após percorrer a mesma distância, vira a 150o à direita e à esquerda, seguindo uma o azimute e a outra o contra azimute da linha imaginária do ponto de partida;
- Cada uma deve caminhar 100m ou mais se o terreno e a visibilidade permitir;
- Após caminhar metade da distância inicial as guarnições se encontram e convergem 90o voltando para o ponto de partida;
- Se necessário iniciar outra incursão, por exemplo, do ponto onde a guarnição parou:
FONTE DE REFERÊNCIA
MANUAL DE BUSCA E SALVAMENTO EM COBERTURA VEGETAL DE RISCO (CORPO DE BOMBEIROS MILITAR DO ESTADO DE SÃO PAULO)
MANUAL DE BUSCA E SALVAMENTO EM COBERTURA VEGETAL DE RISCO (CORPO DE BOMBEIROS MILITAR DO ESTADO DE SÃO PAULO)















